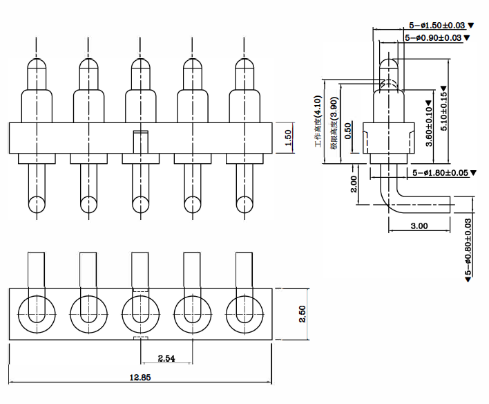
Connettore Pogo Pin maschio e femmina a 5 pin con angelo destro
Il ditale a molla è una sonda a molla formata dalle tre parti essenziali dell'ago, il tubo dell'ago e la molla dopo essere stata rivettata da uno strumento di precisione. È anche chiamato pogo pin, colonna dell'elettrodo a molla pogopin, Spring Loaded o pogopin. Il fondo dell'ago del ditale a molla è solitamente una struttura smussata.

La funzione della struttura smussata è quella di garantire che il pogopin mantenga la mano a contatto con la parete interna del tubo dell'ago quando funziona in modo che la corrente passi principalmente attraverso l'ago placcato in oro e il tubo dell'ago per garantire stabilità e basso impedenza del pogopin.

I ditali a molla sono generalmente utilizzati nelle connessioni di precisione in prodotti elettronici come telefoni cellulari, comunicazioni, automobili, medicina, aerospaziale, ecc.; poiché il ditale a molla è una sonda eccellente, il volume può essere ridotto molto, in modo da ridurre i costi di connessione se utilizzato in connettori di precisione. Riduci il peso del dispositivo, risparmia spazio e abbellisci l'aspetto del prodotto (come telefoni cellulari ultrasottili, orologi intelligenti, sigarette elettroniche, ecc.).

Sei stili e caratteristiche comuni di pogopin:
Pogopin a fondo piatto: buona stabilità, il fondo del tubo dell'ago è a fondo piatto, facile da saldare con la scheda PCB
Pogopin plug-in: c'è un perno di posizionamento all'estremità del tubo dell'ago e quando viene saldato alla scheda PCB, non ci sarà alcuna deviazione e l'effetto di posizionamento è buono;
Bending pogopin: la coda è piegata, offrendo ai progettisti più scelte nell'utilizzo dello spazio;
Pogopin a doppia testa: il design di doppia testa e doppia azione consente agli ingegneri di avere una maggiore flessibilità di spazio nella connessione bidirezionale scheda-scheda
Pogopin per filo di saldatura: adatto per estremità cavo, facile da saldare con filo
Pogopin filettato: i prodotti con specifiche speciali possono soddisfare le diverse esigenze dei clienti.

